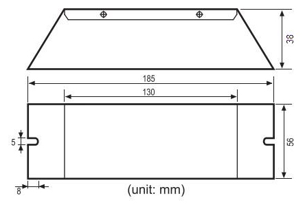
l尺寸l接線圖




PH7-425-75U
1 *燈類型:GPH1148T5 GPH1554T5 GPH1554T5 TUV64T5 G64T5
接線診斷:A
2 *燈型:GPH793T5 GPH843T5 TUV36T5 G36T5
接線診斷:B
PH7-800-95U
1 *燈類型:GPH846T5HO GPH893T5HO GPH893T5HO GHO36T5L TUV36T5HO TUV55WHO TUV75WHO
接線診斷:A
2*燈型號:GPH436T5HO TUVPL-L35WHO
接線圖:B
PH7-1200-105U
1*燈型號:GPHA843T5
接線圖:A
2*燈型號:GPHA357T5
接線圖:B
PH7-1500-80U
1*燈型號: NNI80/36U NIQ75/34 UVL80W/T5
PH7-1800-57U
燈型:GPHA357T6
技術參數
電源電壓:110-240VAC±10%
電源頻率:50/60Hz
功率因數:>0.98
效率:>90%
工作頻率:40-60KHz
尺寸:185*56*38 mm
通過 LED 指示燈狀態指示
綠色 LED:燈亮
紅色 LED:燈故障
燈狀態轉發 燈
亮時 的無電位繼電器觸點/燈故障..
安裝要求
線規:0.5-1.5mm 2
鎮流器和燈之間的 很大電纜長度:5m
繼電器觸點:無電位,負載:50…500mA at 24…230V AC;
50…500mA at 5…60V DC
安裝限制
在安裝或維修之前斷開輸入電源。
鎮流器外殼必須接地。
不要短接四個輸出的任何兩根線。
特征
啟動:預熱
增加蜂鳴器功能
蜂鳴器功能:燈管故障時蜂鳴器響。
紫外燈管可外接LED。
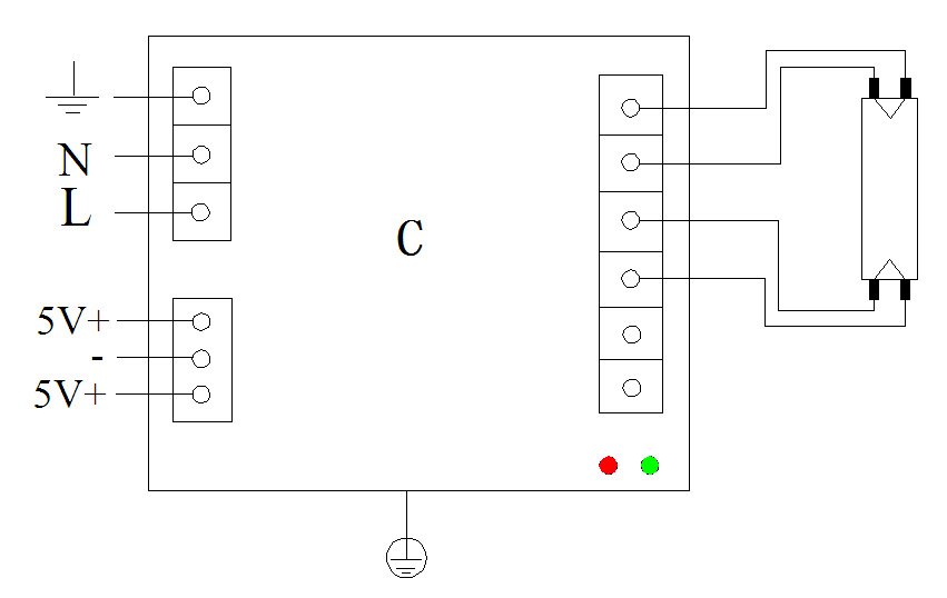
兩路隔離5V輸出,C圖:
本產品有現貨,下單周期為20天,下單時請備注此功能 
應用
空氣凈化
工業水處理
廚房凈化
| 類型 | 輸入電壓(V) | 輸入功率 (W) | 輸入電流(A) | 單燈功率(W) | 燈電流(A) | 重量(公斤) | 包裝(mm) | 數量(個) | 毛重(公斤) |
| PH7-425-75U | 99-264 | 62-90 | 0.83A@110V | 37-79 | 0.39-0.43 | 0.27 | 450*280*190 | 36 | 10.2 |
| 0.38A@240V | |||||||||
| PH7-800-95U | 99-264 | 62.5-108 | 1.0A@110V | 35-95 | 0.75-0.85 | 0.27 | 450*280*190 | 36 | 10.2 |
| 0.46A@240V | |||||||||
| PH7-1200-105U | 99-264 | 49-119 | 1.10A@110V | 42-105 | 1.10-1.30 | 0.27 | 450*280*190 | 36 | 10.2 |
| 0.50A@240V | |||||||||
| PH7-1500-80U | 99-264 | 85-91 | 0.84A@110V | 75-80 | 1.40-1.60 | 0.27 | 450*280*190 | 36 | 10.2 |
| 0.38A@240V | |||||||||
| PH7-1800-57U | 99-264 | 67 | 0.62A@110V | 57 | 1.70-1.90 | 0.27 | 450*280*190 | 36 | 10.2 |
| 0.28A@240V |